EL-T2/3+1-275-FM
Artikel Nr. : 388116
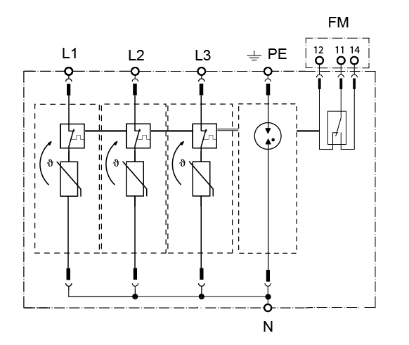
Durchgängig steckbarer Überspannungsableiter Typ 2 für dreiphasige TT- und TNS-Systeme.
- Fernmeldekontakt (FM): Wechsler
- Überspannungsableiter Typ 2, steckbar
- Prüfnormen: IEC 61643-11 / EN 61643-11
- Schwingprüfung nach DIN EN 60068-2-6, IEC 60068-2-6
- Schockprüfung nach DIN EN 60068-2-27, IEC 60068-2-27
- 3+1-Schaltung
- Montage auf 35 mm Hutschiene (EN 60715)
- EAC-Zulassung
| IEC-Prüfklasse | Typ 2 |
| Nennspannung ACUN | 230 V~ |
| Höchste Dauerspannung ACUc | 275 V~ |
| Nennableitstoßstrom (8/20 µs)In | 20 kA |
| Max. Ableitstoßstrom (8/20 µs)Imax | 40 kA |
| Schutzpegel bei In (8/20 µs)Up | ≤ 1,2 kV |
| Schutzpegel bei 5 kAUp | ≤ 0,9 kV |
| Schutzpegel N-PEUp | ≤ 1,5 kV |
| Folgestromlöschvermögen N-PEIfi | 100 Aeff |
| Kurzschlussfestigkeit bei max. VorsicherungISCCR | 25 kAeff |
Zusätzliche Informationen
| Max. zul. Vorsicherung | 125 A gG |
| BetriebstemperaturbereichTU | -40 - +80 °C |
| Min. Anschlussdrahtquerschnitt | 1,5 mm² eindr. / feindr. |
| Max. Anschlussdrahtquerschnitt | 35 mm² mehrdr./25 mm² feindr. |
| Max. Anzugsdrehmoment Klemmen | 3,5 Nm |
| Gehäusematerial/Farbe | Thermoplast, gelb, UL 97 V-0 |
| Schutzart (IEC EN 60529) | IP 20 |
| Einbaumaße (DIN 43880) | 4 TE |
| Netzform | 3-phasige TNS- und TT-Systeme |
| Max. Betriebsspannung FM | 250 V AC/125 V DC |
| Max. Betriebsstrom FM | 1 A AC/200 mA DC |
| Max. Anschlussdrahtquerschnitt FM | 1,5 mm² |
| Bestehend aus: Anzahl x Modulnummer | 3x 38 80 02 + 1x 38 80 07 |


