AntPro 6GHz-N(m/f)
Artikel Nr. : 040010
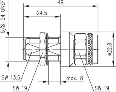
Die Geräte verfügen über eine Schraubverbindung und sind im Steckgesicht wasserdicht. Aufgrund ihres konstruktiven Aufbaus werden sehr gute elektrische Werte bei der Rückflussdämpfung (VSWR) und Intermodulation erzielt. Kompakte Bauform mit erweitertem Frequenzbereich bis 6 GHz. Damit ist z.B. auch der Einsatz im Bereich von WLANs bei einer Übertragungsfrequenz bis 5,8 GHz möglich.
- N-Überspannungsableiter Sti-Bu mit Gasentladungsableiter
- Überspannungsableiter für extrem hohe Frequenzen bis zu 6 GHz
- Empfohlenes Kopplungsdrehmoment: 4-6 Nm
- Überspannungsableiter für extrem hohe Frequenzen bis zu 6 GHz
| Nennansprechgleichspannung (100 V/s)UagN | 150-250 V= |
| Nennableitstoßstrom (8/20 µs)In | 5/10 kA |
| Schutzpegel bei 1kV/μsUp | ≤ 600 V |
| Ansprechzeit bei 1 kV/µstA | < 50 ns |
| Max. LeistungsübertragungPmax | 80 W |
| FrequenzbereichfO | 0-6000 MHz |
| ImpedanzZ | 50 Ω |
| Durchgangswiderstand InnenleiterR | ≤ 1.5 mΩ |
| Durchgangswiderstand AußenleiterR | ≤ 1.0 mΩ |
| IsolationswiderstandRisol | ≥ 5 GΩ |
Zusätzliche Informationen
| Spannungswiderstand bei 50 HzUmax | 2.5 kVeff |
| Einfügungsdämpfung typ. (bei 1 GHz/6 GHz) | < 0,12 /< 0,4 dB |
| Einfügungsdämpfung typ. (bei 3 GHz) | < 0,18 dB |
| RückflussdämpfungRL | typ. 20 dB |
| Kapazität, typ. asym. Innenleiter/ErdeC | ≤ 1.5 pF |
| BetriebstemperaturbereichTU | -40 - +85 °C |
| Schutzart (IEC EN 60529) | IP 68 |
| Erdverbindung max. Querschnitt | 4-6 mm² |
| Prüfklasse/Klimakategorie | 55/155/21 |
| Anzugsdrehmoment | 4-6 Nm |
| Materialien: Gehäuse/Isolation/Dichtung | CuZn39Pb3/PTFE/MVQ |
| Oberfläche: Innenleiter/Außenleiter | CuSnZn3/Ag2CuSnZn0,5/Cu2Ag5 |
| Steckverbinder | N (m/f) |


