EP D TN 275/FM
Artikel Nr. : 381255
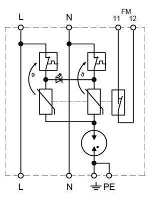
Einsetzbar nach dem Blitzschutzzonen-Konzept an den Schnittstellen 2-3. Zweipoliger, kompakter Überspannungsableiter Typ 3 für den Einsatz in TN-Netzen.
- Fernmeldekontakt (FM): Wechsler
- Bei Parallel- bzw. Stichverdrahtung auch > 16 A möglich
- Überspannungsableiter Typ 3
- Prüfnormen: IEC 61643-11 / EN 61643-11
- Leitungs- und Geräteüberwachung (LED)
- Keine Leckströme zum PE (leckstromfrei)
- Praktisches Kompaktgehäuse mit geringstem Platzbedarf
- EAC-Zulassung
| IEC-Prüfklasse | Typ 3 / class III |
| Nennspannung ACUN | 230 V~ |
| Nennspannung DCUN | 230 V= |
| Höchste Dauerspannung ACUc | 275 V~ |
| Höchste Dauerspannung DCUc | 275 V= |
| NennlaststromIL | 16 A |
| Schutzpegel L-NUp | ≤ 1,0 kV |
| Schutzpegel L/N-PEUp | ≤ 1,5 kV |
| Kombinierter StoßUoc | 4 kV |
| Ansprechzeit L-N/L,N-PE | ≤ 25/≤ 50 ns |
Zusätzliche Informationen
| Nennableitstoßstrom (8/20 µs)In | 5 kA |
| Max. Ableitstoßstrom (8/20 µs)Imax | 8 kA |
| Max. zul. Leitungs- bzw. Vorsicherung | 16 A gG |
| BetriebstemperaturbereichTU | -40 - +80 °C |
| Min. Anschlussdrahtquerschnitt | 1,5 mm² eindräht. / 1,0 mm² flexibel mit Hülse |
| Max. Anschlussdrahtquerschnitt | 2,5 mm² eindräht./1,5 mm² flexibel mit Hülse |
| Max. Anzugsdrehmoment Klemmen | 1,5 Nm |
| Gehäusematerial/Farbe | Polykarbonat (halogenfrei) UL94-V0/gelb |
| Schutzart (IEC EN 60529) | IP 20 |
| Montage auf | 35 mm-Hutschiene (EN 60715) |
| FM-Kontakte/Kontaktform | Öffner |
| Schaltleistung Fernmeldekontakt | 250 V/2 A |
| Max. Anschlussdrahtquerschnitt FM | 1,5 mm² |
| Max. Anzugsdrehmoment FM-Klemmen | 1,5 Nm |
| Netzform | 1-phasige TN-Systeme |


